HF轻集料隔墙条板构造图集

2026-01-06技术文献

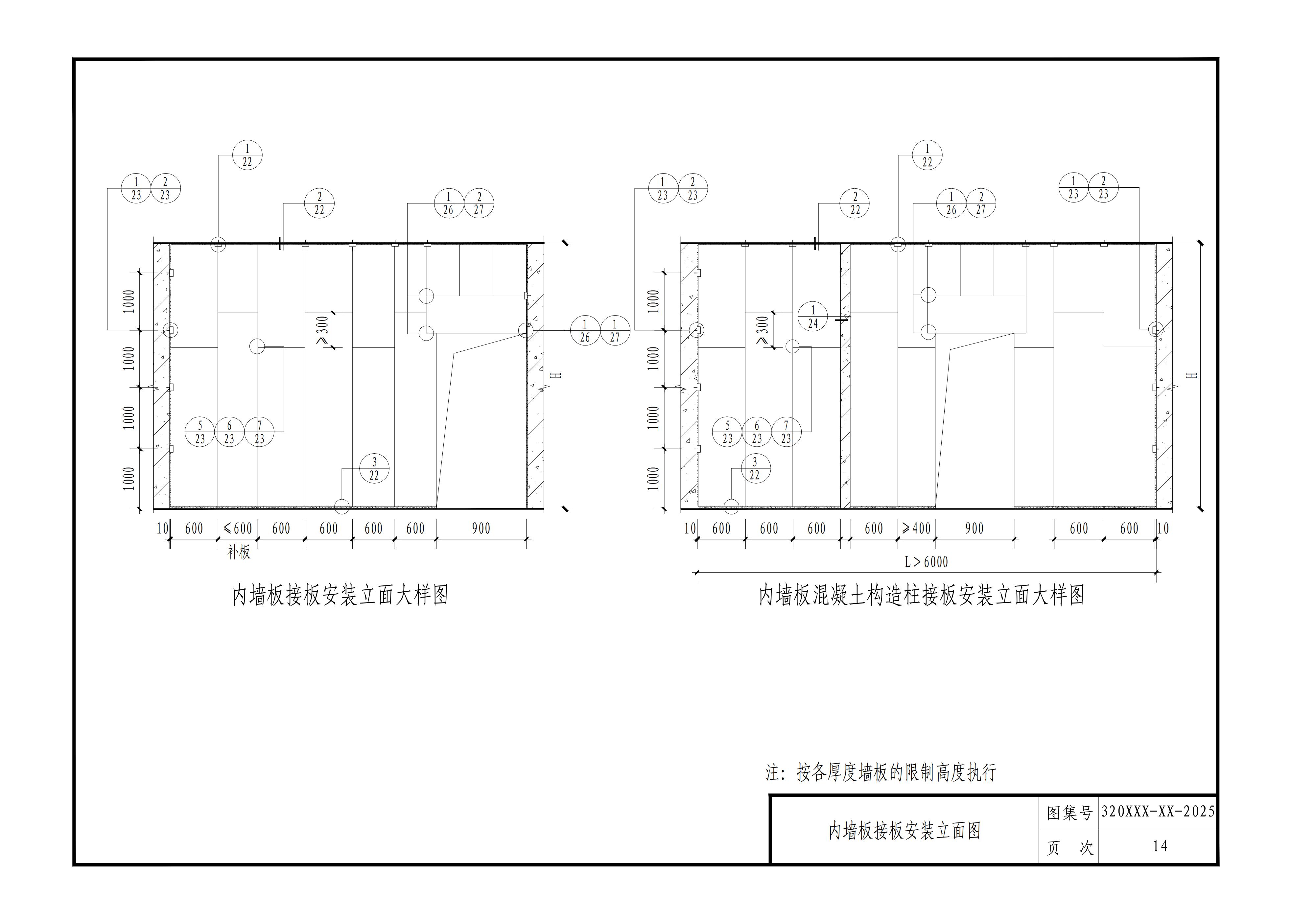
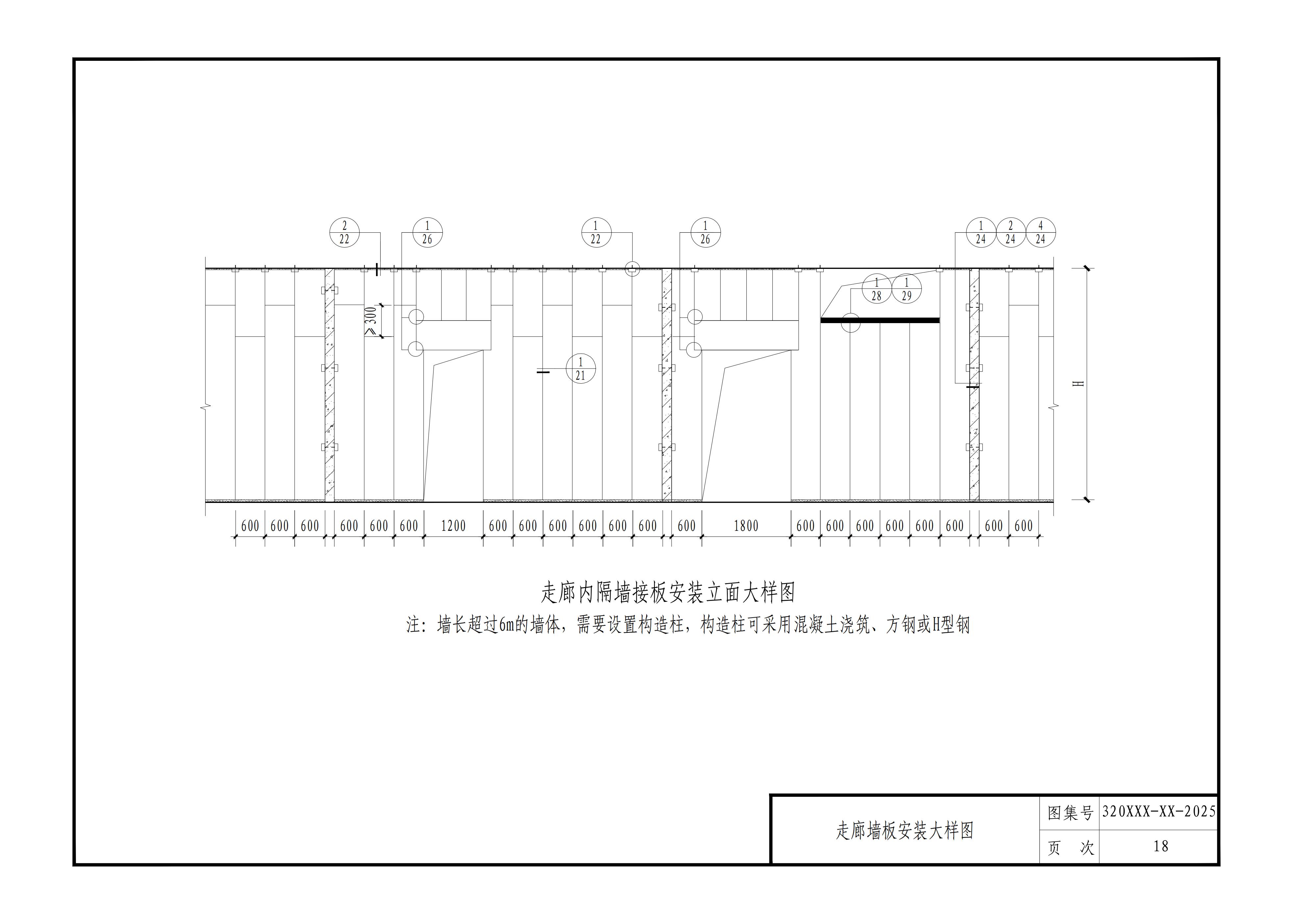
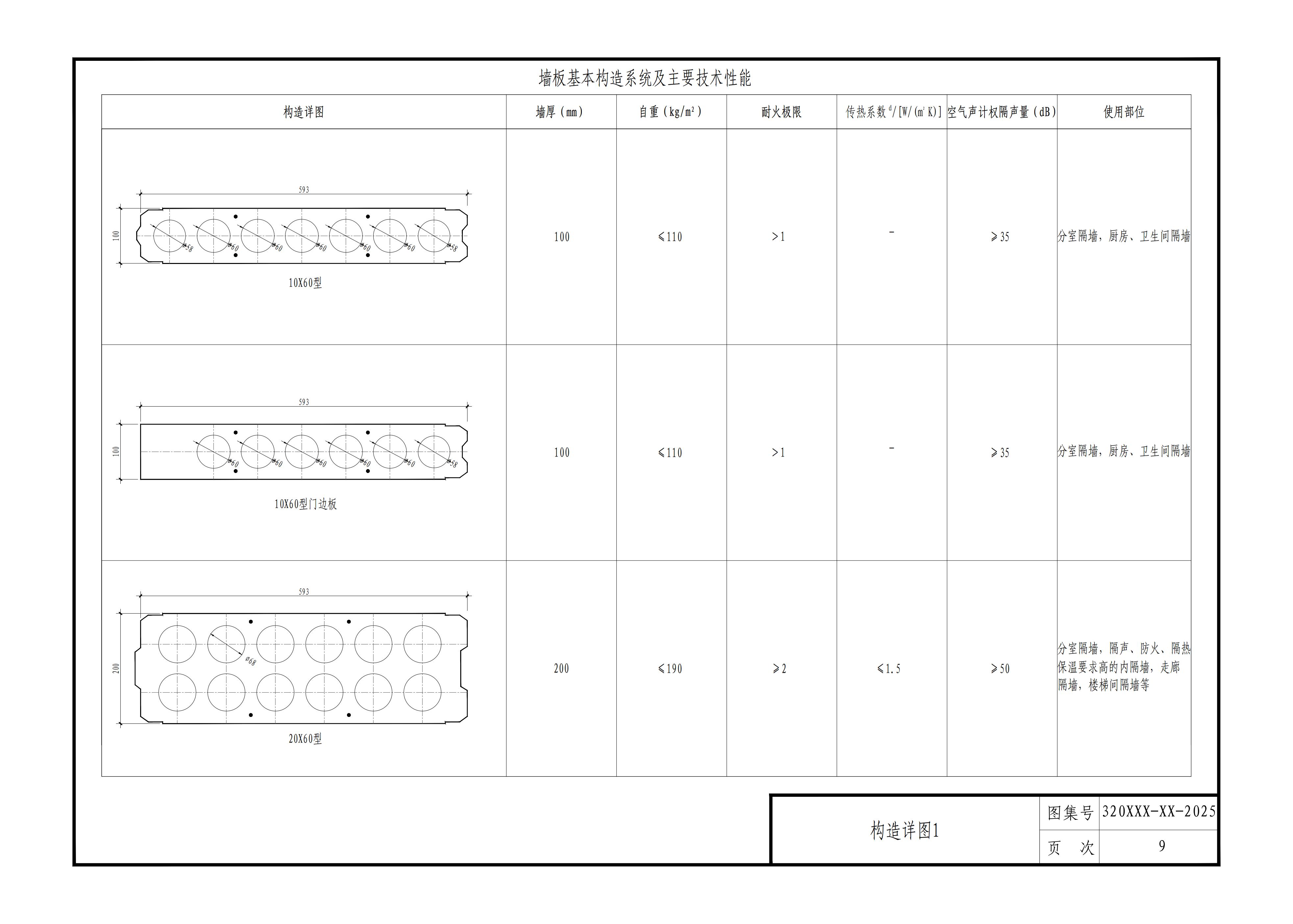
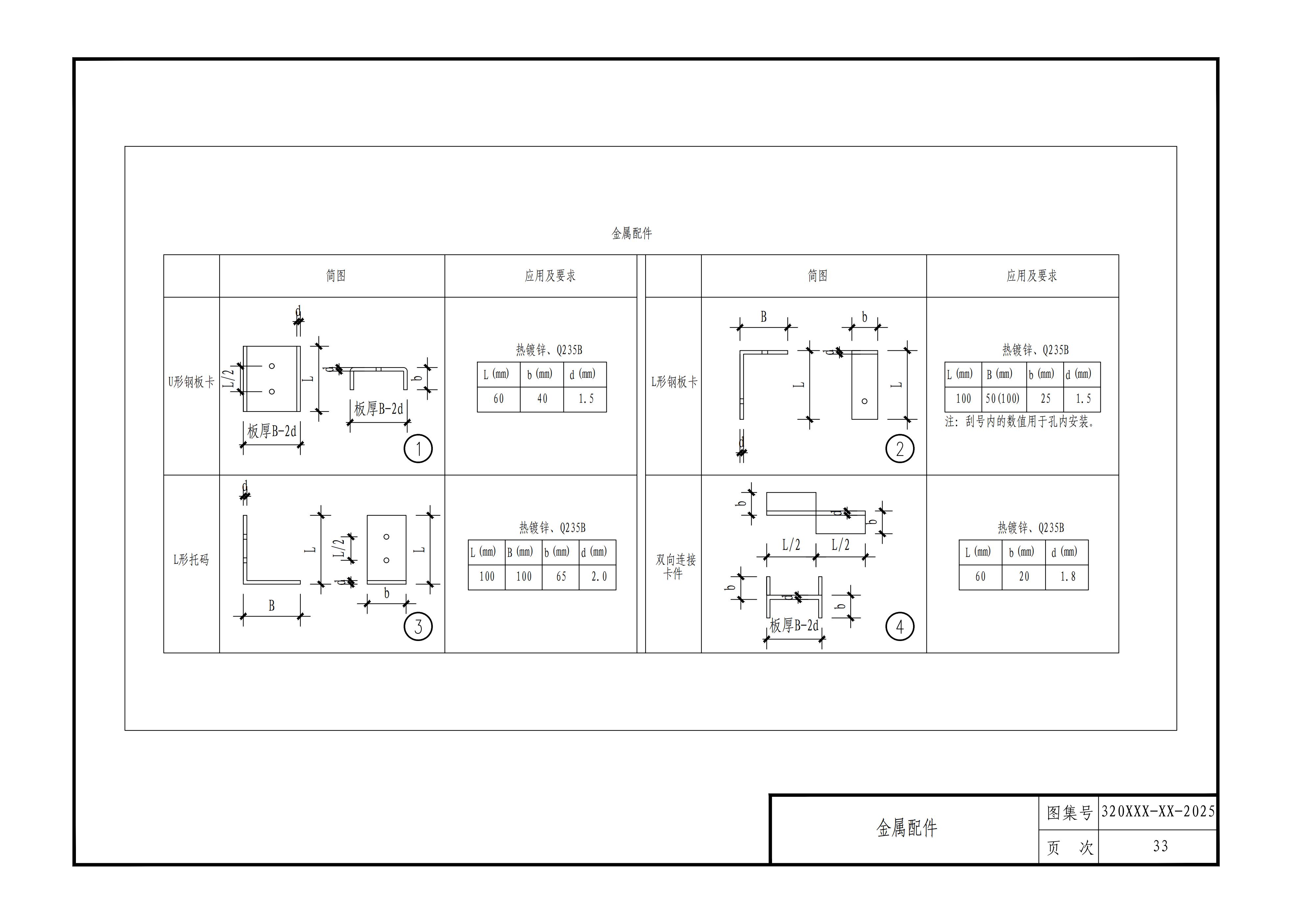
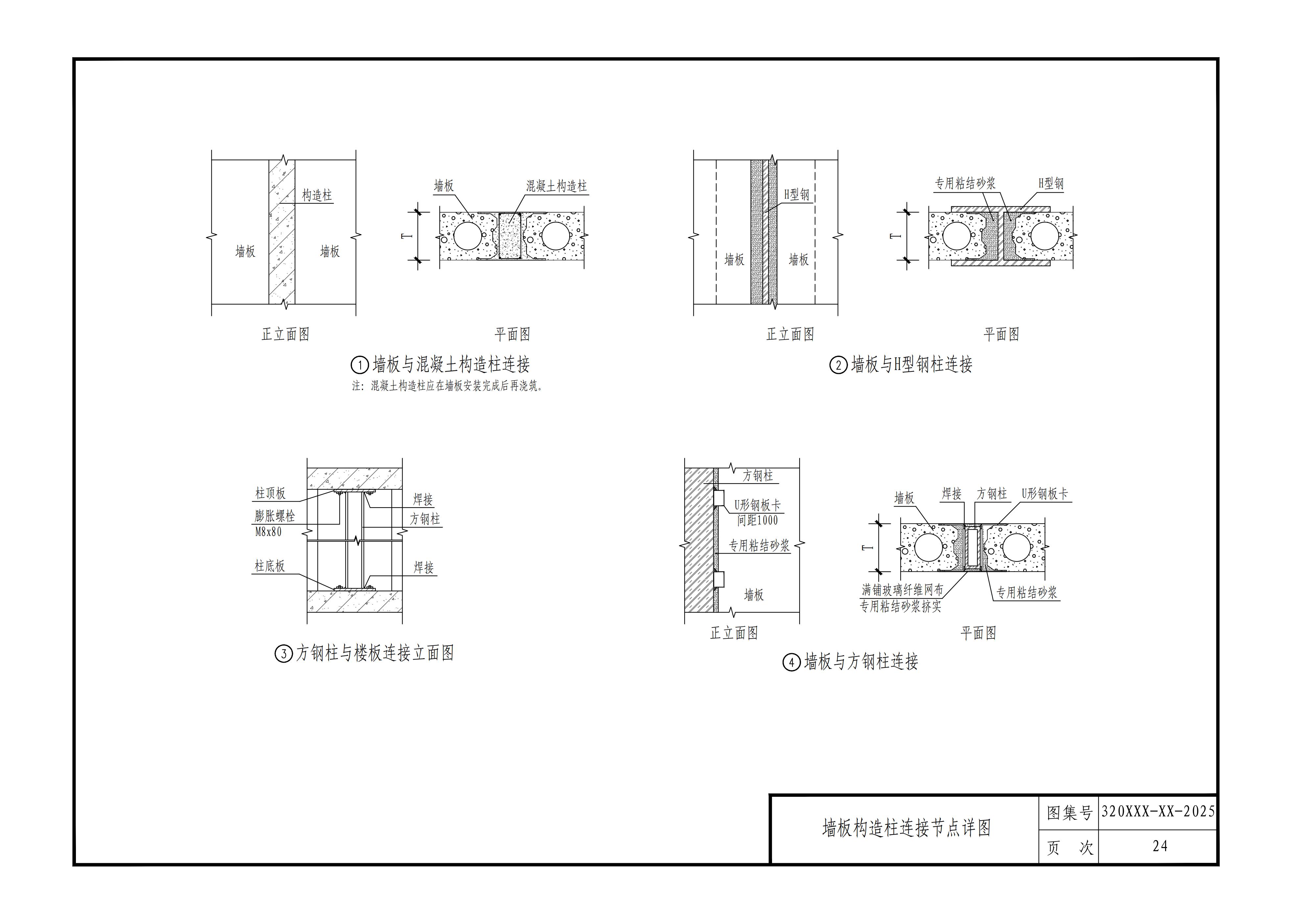
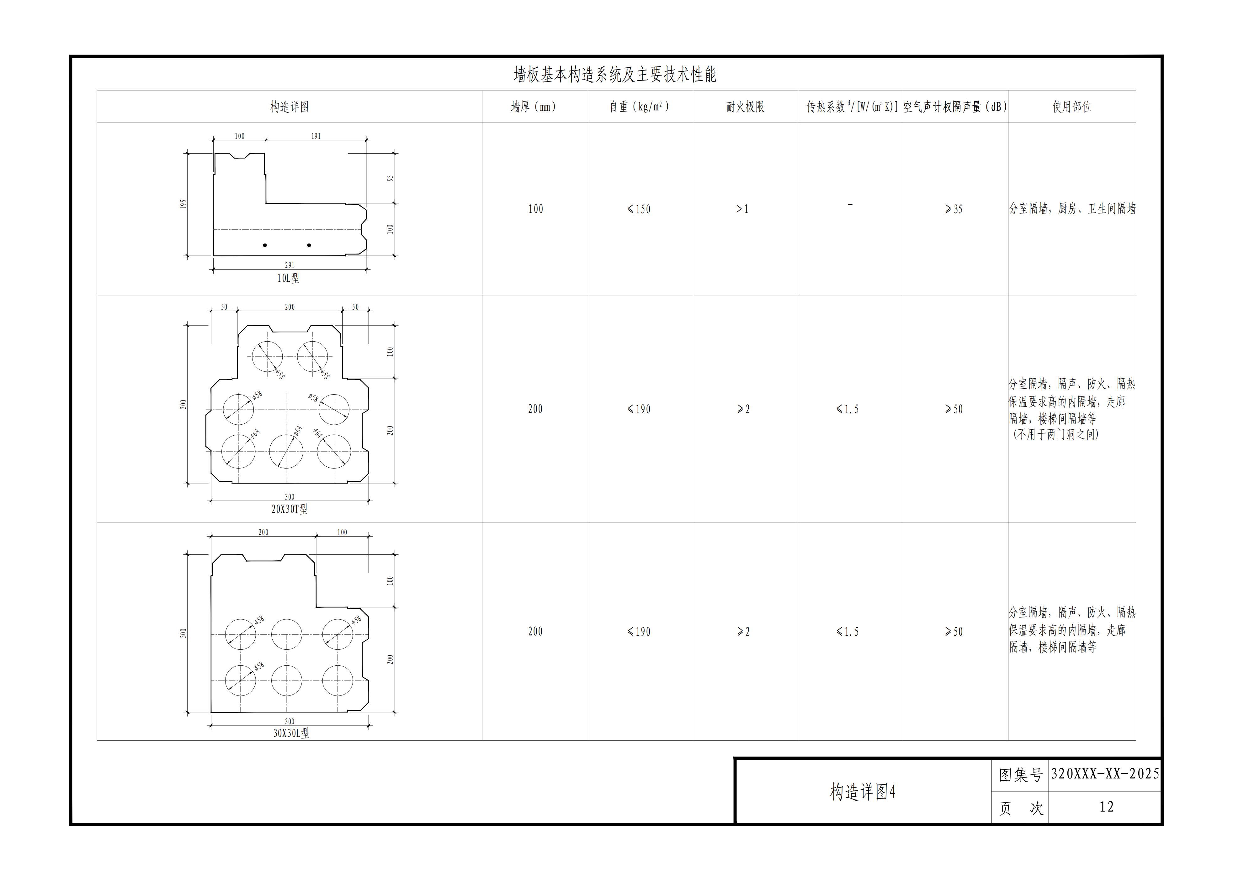
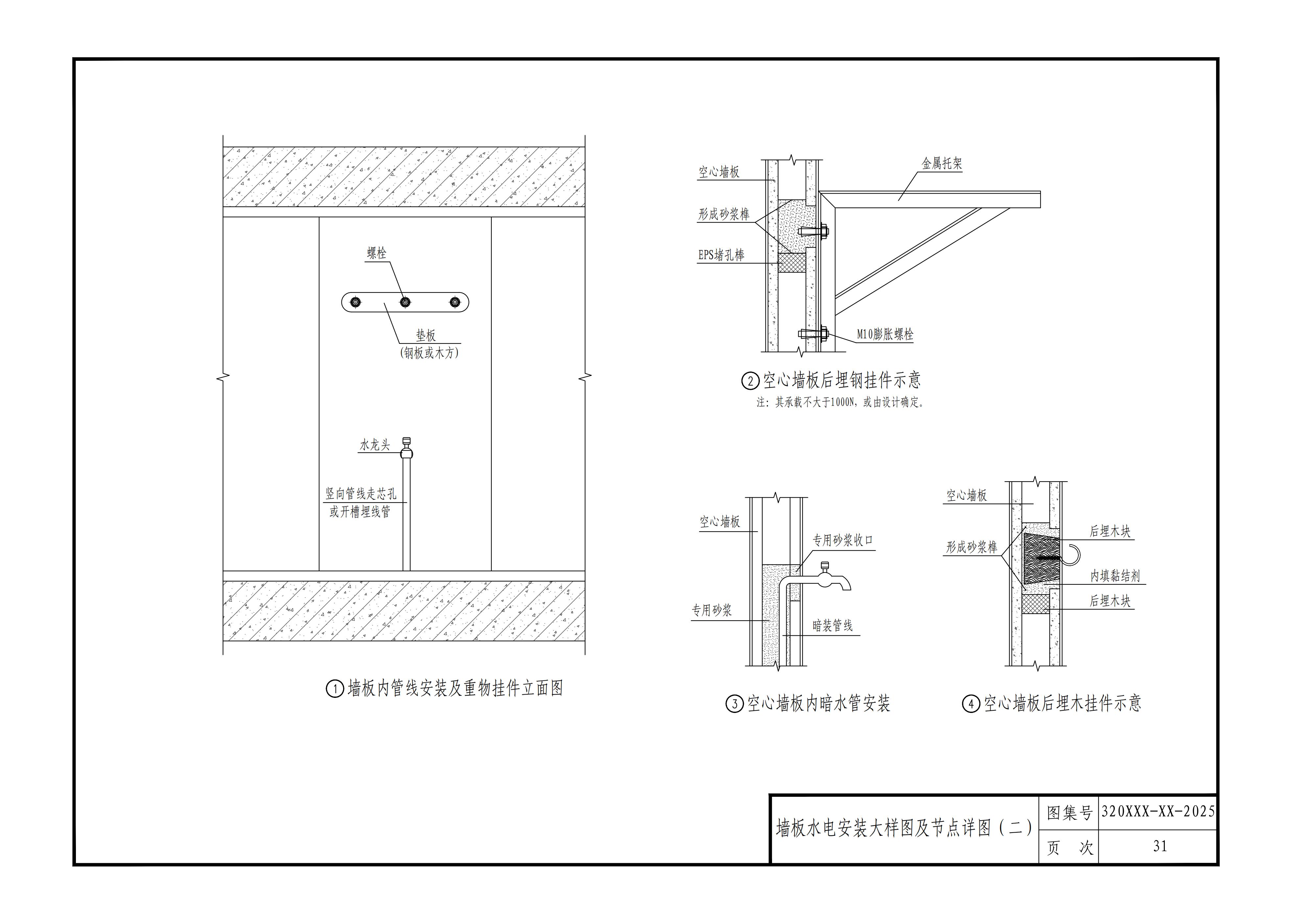
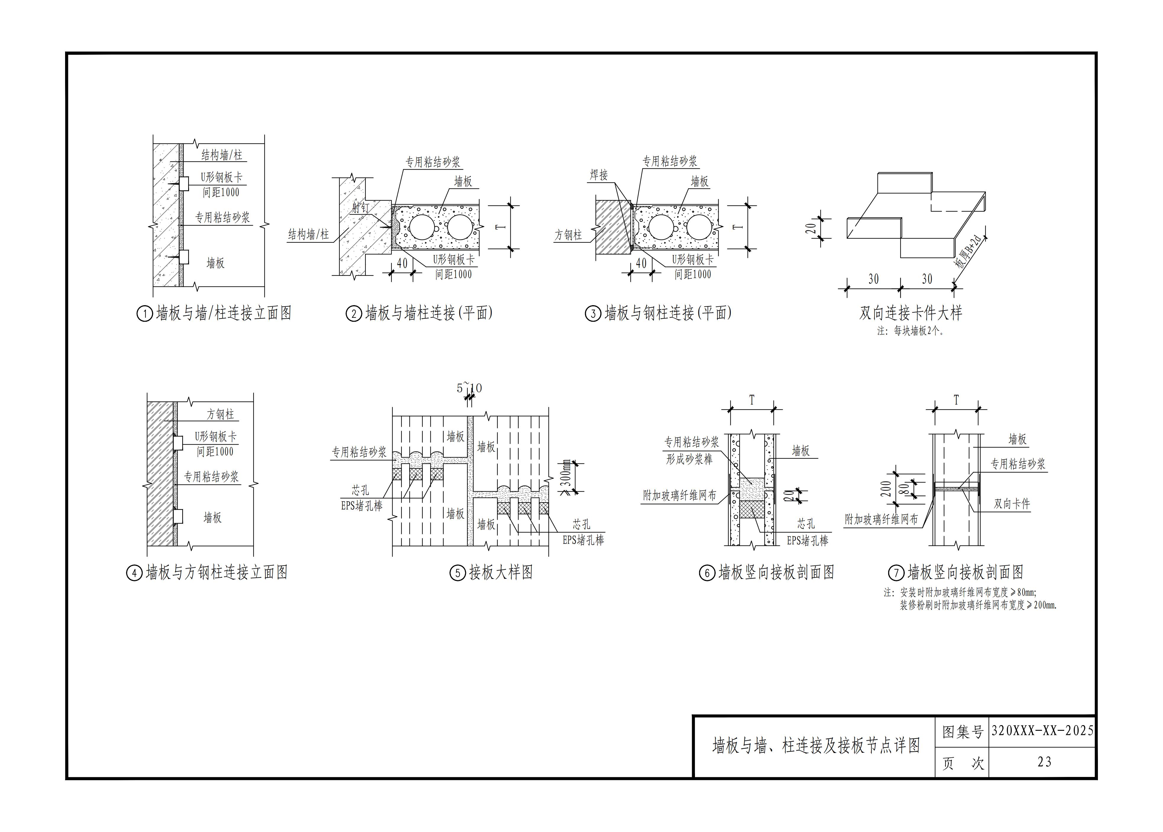
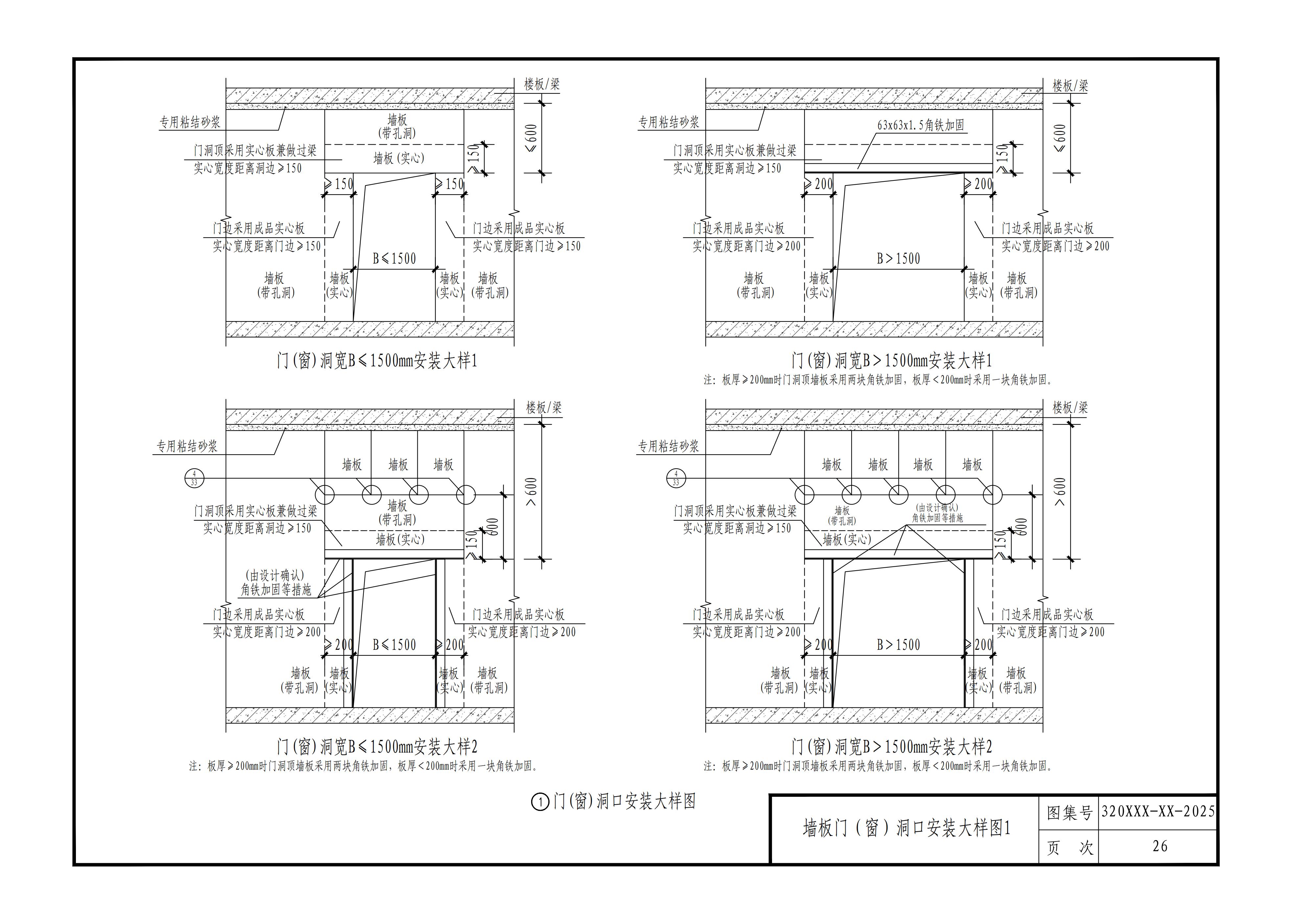
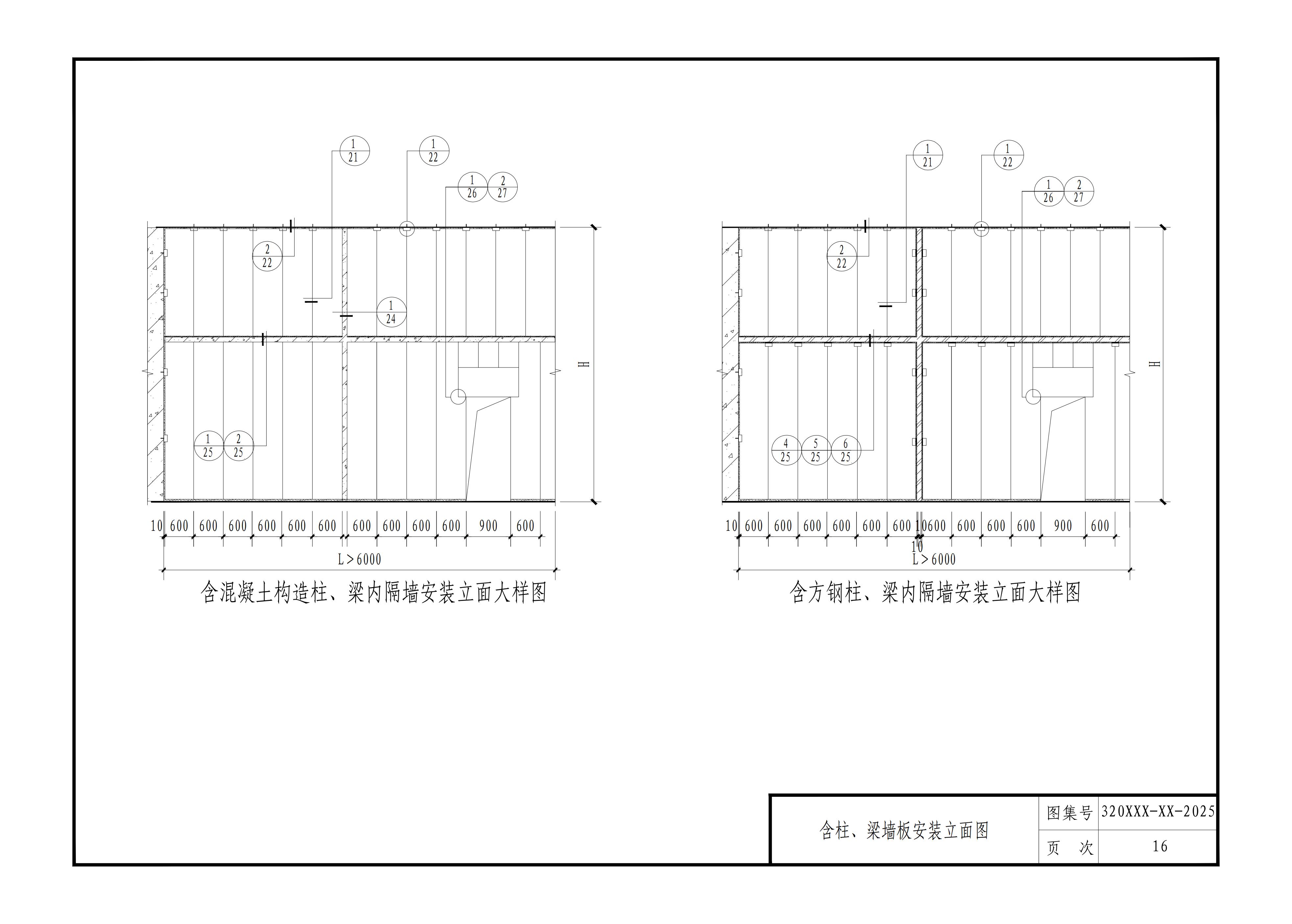
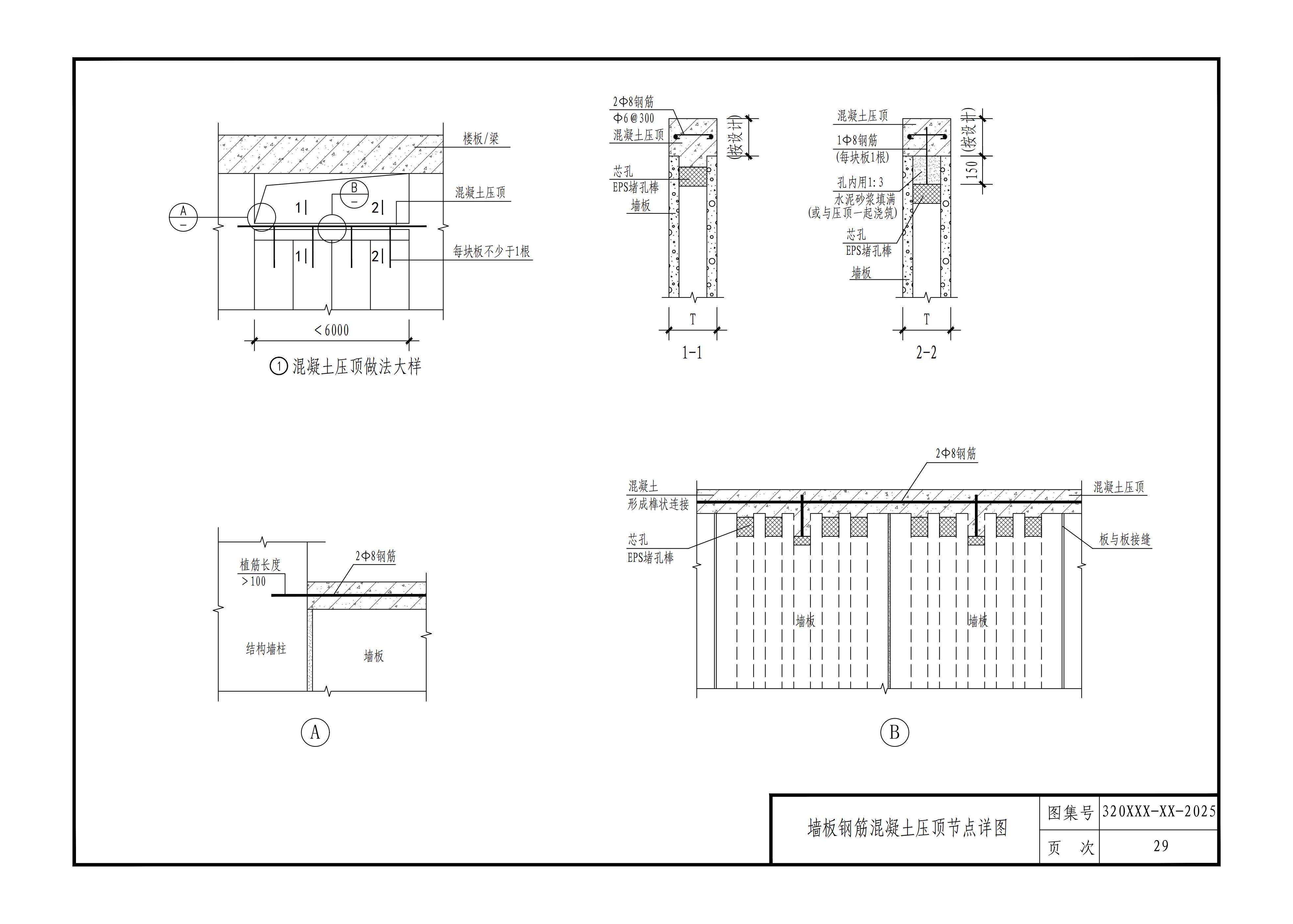
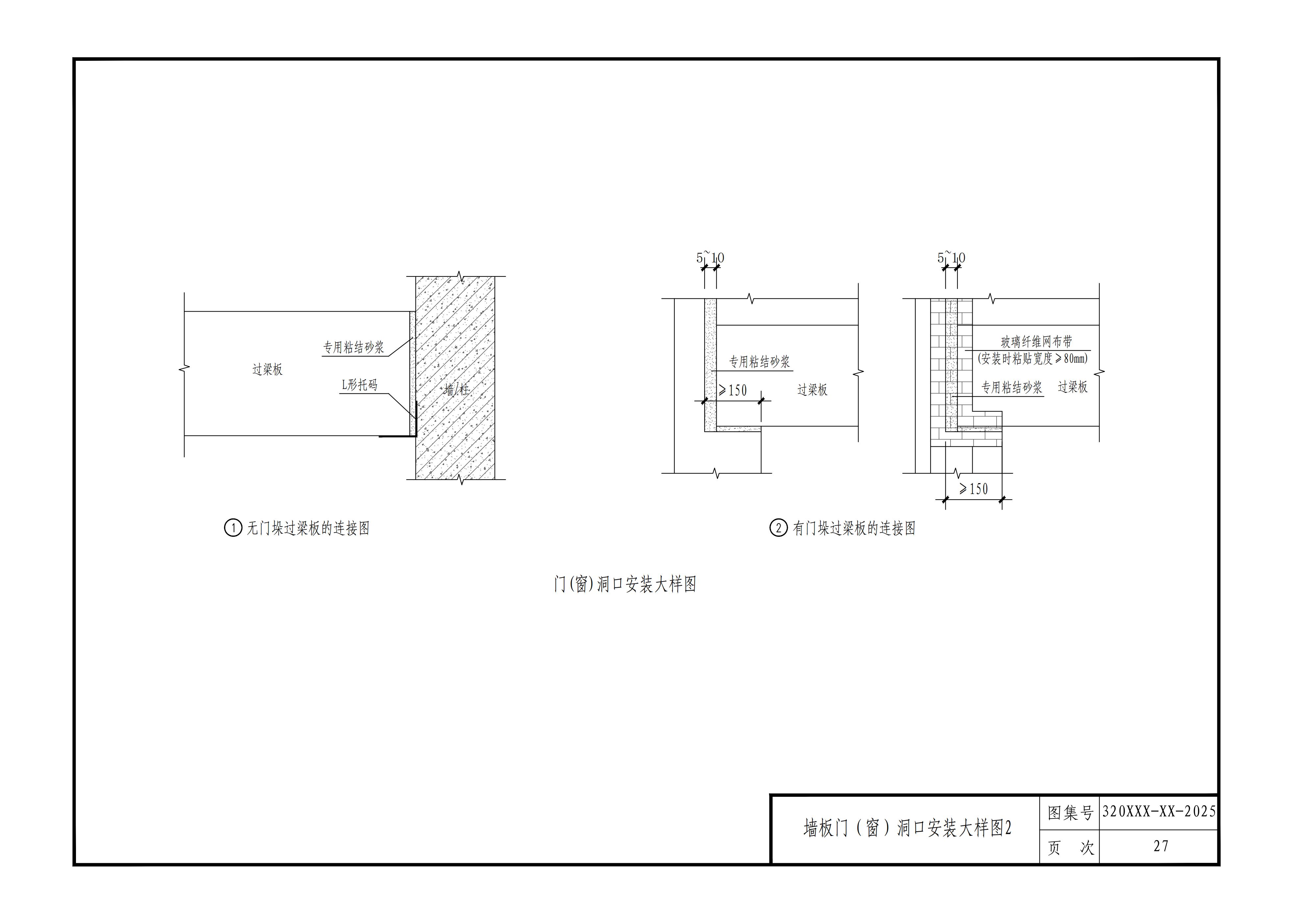
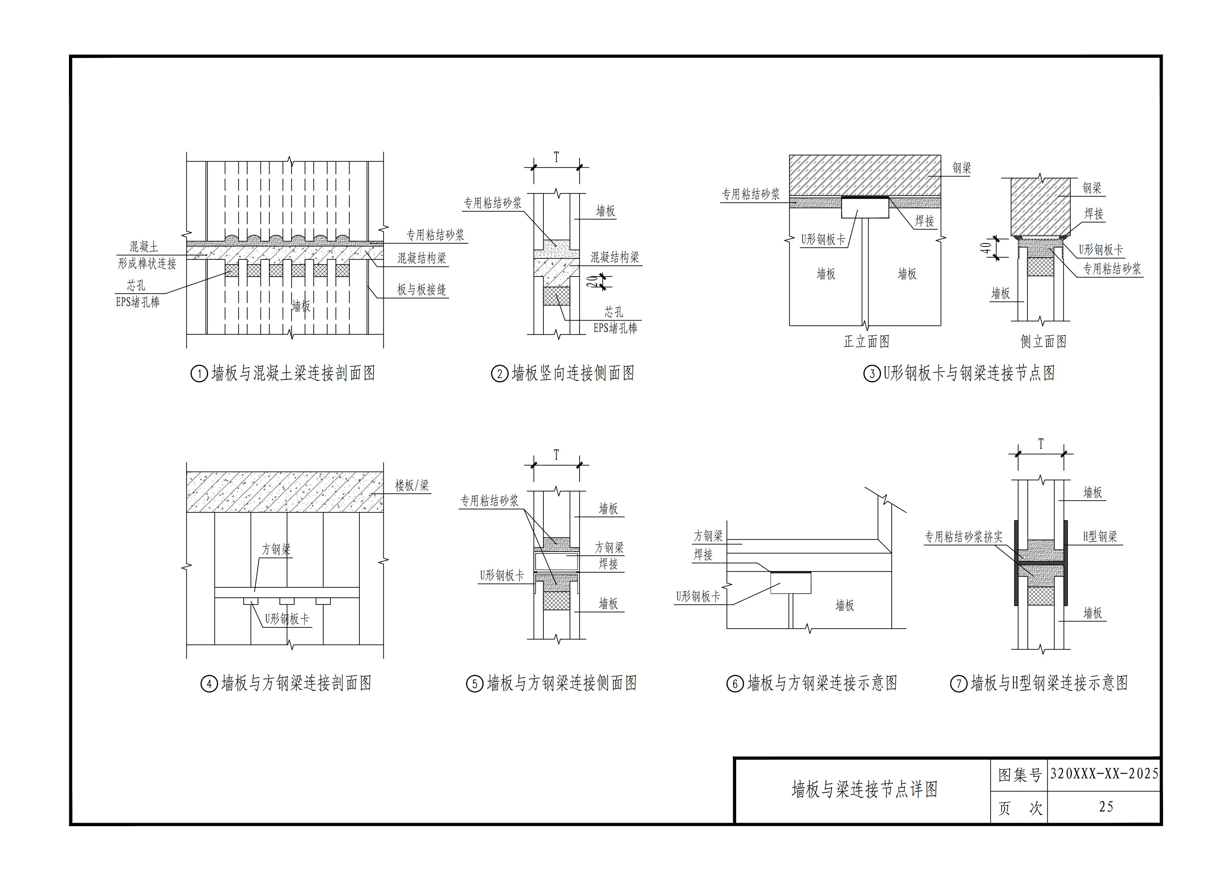
本图集主要技术内容包括:编制说明、构造详图、内墙板安装立面图、墙板内隔墙安装户型图、墙板连接节点详图、墙板门(窗)洞口安装大样图、墙板压顶节点详图、墙板防裂及裂缝维修节点详图、金属配件。

部分图文转载自网络,版权归原作者所有,如有侵权请联系我们删除。如内容中如涉及加盟,投资请注意风险,并谨慎决策

上一篇
下一篇
想要了解更多吗?